Профиль PLS-LOCK-H25-F-HIDE-3000 (Arlight, Алюминий) 044851 в Ставрополе
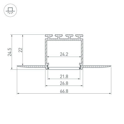
Встраиваемый профиль со скрытым фланцем под строительную отделку из алюминия для установки в гипсокартон для основного освещения и контурной подсветки. Габаритные размеры профиля составляют 3000 мм в длину, 66,8 мм в ширину и 24,5 мм в высоту. Площадка для установки светодиодных лент позволяет использовать ленту шириной до 24,2 мм и мощностью до 39,7 Вт/м. Это обеспечивает гибкость в выборе светодиодных лент и создает потрясающие световые решения. Экраны, заглушки и другие аксессуары не включены в комплект и приобретаются отдельно. Цена указана за 1 метр профиля. Отличное решение для создания современных световых проектов. Перед установкой профиля в гипсокартон ОБЯЗАТЕЛЬНО установите в профиль экран.
Алюминиевый профиль для светодиодных лент и линеек. Встраиваемый в гипсокартон, под строительную отделку. Позволяет создать линию света шириной 22 мм. без видимых частей алюминия. Габаритные размеры (L×W×H): 3000x66,8x24,5 мм. Ширина площадки для ленты 24,2 мм. Экраны, заглушки и другие аксессуары приобретаются отдельно. Цена за 1 метр.
044851 Arlight Профиль Встраиваемый со скрытым фланцем С фланцем Серебристый в Ставрополе
Вы можете заказать Профиль Arlight с доставкой или самовывозом в Ставрополе
просто достаточно позвонить менеджеру и сообщить артикул товара: 044851 или оформить заказ на сайте Arlight Shop Ставрополь
Характеристики
|
Объем м3
|
0.005025 |
|
Гарантия м.
|
24 |
|
Материал корпуса
|
Алюминий |
|
Способ монтажа
|
Встраиваемый со скрытым фланцем |
|
Назначение
|
Для гипсокартонных листов |
|
Форма (сечение)
|
С фланцем |
|
Цвет покрытия
|
Серебристый |
|
Тип товара
|
Профиль |
|
Гарантийный срок
|
2 год(а) |
|
Модельный ряд
|
PLS-LOCK |
|
КПД профиля (cветовой)
|
71 % |
|
Рассеиваемая тепловая мощность на 1м
|
max: 39.7 W |
|
Ширина световой линии
|
22 мм |
|
Внешний вид поверхности
|
Глянцевая |
|
Покрытие поверхности
|
Без покрытия |
|
Длина
|
3000 мм |
|
Ширина
|
66.8 мм |
|
Высота
|
24.5 мм |
|
Ширина площадки
|
24.2 мм |
|
Глубина установки источника света
|
20 мм |
|
Кратность цены за 1 м/шт
|
1 |
|
Мощность (прайс)
|
39.7 Вт |








