Профиль SL-SLIM-H7-F25-2000 ANOD (Arlight, Алюминий) 023717 в Ставрополе
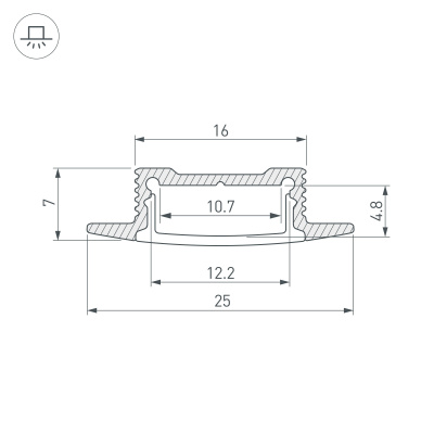
Встраиваемый профиль с накладным фланцем из анодированного алюминия для подсветки мебели, пазов, ниш и других элементов интерьера. Габаритные размеры профиля составляют 2000 мм в длину, 25 мм в ширину и 7 мм в высоту. Площадка для установки светодиодных лент позволяет использовать ленту шириной до 10,7 мм и мощностью до 14,6 Вт/м. Это обеспечивает гибкость в выборе светодиодных лент и создает потрясающие световые решения. Экран, заглушки и другие аксессуары не включены в комплект и приобретаются отдельно. Цена указана за 1 метр профиля. Отличное решение для создания современных световых проектов.
Алюминиевый анодированный профиль для светодиодных лент и линеек. Габаритные размеры (L×W×H): 2000x25x7 мм, паз для установки 16 мм. Ширина площадки для ленты 10,7 мм. Экраны, заглушки и другие аксессуары приобретаются отдельно. Цена за 1 метр.
023717 Arlight Профиль Встраиваемый с накладным фланцем С фланцем Серебристый в Ставрополе
Вы можете заказать Профиль Arlight с доставкой или самовывозом в Ставрополе
просто достаточно позвонить менеджеру и сообщить артикул товара: 023717 или оформить заказ на сайте Arlight Shop Ставрополь
Инструкции и файлы
Характеристики
|
Объем м3
|
0.000416 |
|
Гарантия м.
|
36 |
|
Материал корпуса
|
Алюминий |
|
Способ монтажа
|
Встраиваемый с накладным фланцем |
|
Назначение
|
Для контурной подсветки |
|
Форма (сечение)
|
С фланцем |
|
Цвет покрытия
|
Серебристый |
|
Тип товара
|
Профиль |
|
Гарантийный срок
|
3 год(а) |
|
Модельный ряд
|
SL-SLIM |
|
Способ установки профиля
|
Встраиваемый с накладным фланцем |
|
КПД профиля (cветовой)
|
91 % |
|
Рассеиваемая тепловая мощность на 1м
|
max: 14.6 W |
|
Ширина световой линии
|
14 мм |
|
Внешний вид поверхности
|
Матовая |
|
Покрытие поверхности
|
Анодирование |
|
Длина
|
2000 мм |
|
Ширина
|
25 мм |
|
Высота
|
7 мм |
|
Ширина площадки
|
10.7 мм |
|
Глубина установки источника света
|
5 мм |
|
Кратность цены за 1 м/шт
|
1 |
|
Мощность (прайс)
|
14.6 Вт |






